CONTACT US
400 - 880 - 3995德國博思特POSITAL FRABA 增量型編碼器許多應用行業對精確的位置定位都需要一個簡單且高性價比的解決方案。 IXARC增量型編碼器通過增量接口提供高分辨率的測量。可以對A,B,Z和反轉信號以及HTL推挽或TTL(RS422)進行常規配置。
增量型編碼器輸出脈沖信號,集電極開路,長線驅動,推挽,互補,絕對值信號輸出有:SSI、4-20MA、profibus-dp、DEVicenet、并行、二進制碼、、BiSS、ISI、CANopen、Endat及Hiperface等。增量型編碼器是能夠根據旋轉運動產生信號的編碼器,其刻度方式為每一個脈沖都進行增量計算,因此得名。它常和機械轉換裝置一起使用(如齒條-齒輪、測量輪或心軸一起使用),用于測量直線運動。
POSITAL FRABA 增量型編碼器產品特性:
? 0-16384之間任意脈沖都可以設置
? 靈活縮放功能
? 僅36mm直徑的緊湊型尺寸
? 提供不銹鋼和重載型外殼可供選擇
? 防油、防塵、抗高震動和沖擊
德國博思特增量型編碼器的基本原理:
增量型旋轉式編碼器在一條傳輸線上提供連續的脈沖信號。一個傳感器必須連接到一個控制器。
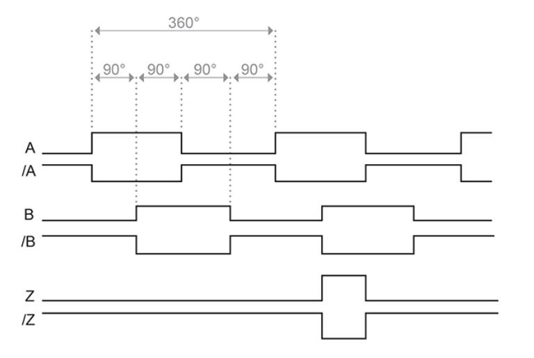
增量型編碼器至少有一個輸出信號“A”或通常稱為“A”和“B”的兩個輸出信號。這兩個信號相互之間相位差90°,這是檢測編碼器選裝方向所必需的。順時針旋轉編碼器,“A”脈沖比“B”脈沖超前90°,逆時針旋轉軸,“B”脈沖比“A”脈沖超前90°。

此外,一些增量型編碼器輸出一個“Z”信號。每一次旋轉,這個Z信號會觸發一次,在完全相同的位置。這可以作為一個準確的參考點。一些增量型編碼器也有額外的差分信號,稱為“/A”、“/B”和“/Z”。這些信號是反向的“A”,“B”和“Z”信號。控制器可以比較每一對(“A”必須等于“/A”),以確保在傳輸過程中沒有錯誤。另外,通過雙絞線傳輸差分信號可以提高傳輸穩定性。
POSITAL FRABA 增量型編碼器分類
1、按輸出信號劃分:脈沖方波信號(TTL、HTL);正余弦sin/cos信號(電流或電壓輸出)。
2、按輸出電路劃分:集電極開路輸出(NPN、PNP);TTL線驅動LineDrive輸出;HTL推挽式輸出。
3、按形式劃分:有軸型有軸型又可分為夾緊法蘭型、同步法蘭型和伺服安裝型等;軸套型軸套型又可分為半空型、全空型和大口徑型等。

POSITAL FRABA增量型編碼器 精度:
精度(DNL):DNL精度是相角誤差的絕對值,用(機械)度表示。
精度(INL):增量編碼器每轉一圈輸出一定數量的脈沖,這樣每個脈沖都被期望在一個確定的機械位置上。這個理想位置與實際位置之間的最大偏差稱為積分非線性(INL)。如果增量編碼器用于定位任務,INL精度是一個重要的值。
上一篇: Fenner英國進口芬納聯軸器