CONTACT US
400 - 880 - 3995
博思特Posital絕對值旋轉編碼器系列為工廠自動化設備的各種應用提供性能和范圍它們的角度,長度測量和定位控制,提供每個軸位置的唯一代碼值。絕對值編碼器有兩種類型的光電和磁性,豐富的通信接口類型,具有Profibus-DP,DeviceNet,CANopen,SSI,并行等模擬形式,為客戶提供了靈活的選擇。
博思特Posital絕對值旋轉編碼器 產品參數:
接口 PROFINET
Profil PROFIdrive Profile 4.x, Encoder Profile 4.x
診斷 內存
傳輸速率 Boot-Loader, Round Axis, Flashing LEDs
傳輸速率 10 / 100 Mbit
接口周期時間 ≥ 1 ms
編程功能 分辨率,時基和速度,預置計數方向,IP地址過濾器
輸出驅動器 Ethernet
電氣數據
電源電壓 10 – 30 VDC
功耗 ≤ 230 mA @ 10 V DC, ≤ 100 mA @ 24 V DC
功耗 ≤ 2.5 W
啟動時間 < 1 s
反極性保護 是
短路保護 是
EMC:發射干擾 DIN EN 61000-6-4
EMC:抗干擾 DIN EN 61000-6-2
MTTF 65 年,在40 ℃下
傳感器
技術 磁性
單圈分辨率 16 位
分辨率 多圈 12 位
多圈技術 自發電的磁性脈沖計數器(無需電池和齒輪組)
精度 (INL) ±0.0878°(≤12位)
認證 認證/壽命 碼制 碼 二進制碼
環境規格
外殼防護等級 (軸) IP65
外殼防護等級 (外殼) IP66/IP67
工作溫度 -40 °C (-40 °F) - +70 °C (+158 °F)
存儲溫度 -40 °C (-40 °F) – +85 °C (+185 °F)
濕度 98%相對濕度, 無凝結狀態
機械數據
外殼材料 鋼
外殼涂層 陰極防腐蝕防護(> 720小時耐鹽霧測試) + 油漆噴涂
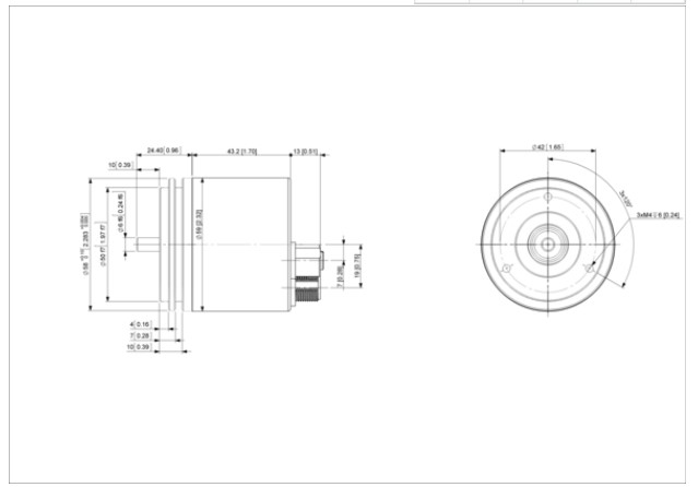
法蘭形式 通孔, ? 58 mm
法蘭材料 鋁
軸的類型 實心軸, 長度 = 10 mm
軸的直徑 ? 6 mm (0.24")
軸的材料 不銹鋼 V2A (1,4305; 303)
最大軸負載 軸向 40 N (4.5 lbs), 徑向 110 N
最小機械壽命 550 (20 N / 40 N), 195 (40 N / 60 N), 135 (40 N / 80 N), 85 (40 N / 110 N)

轉子轉動慣量 ≤ 30 gcm2 [≤ 0.17 oz-in2]
摩擦力矩 ≤ 3 Ncm @ 20 °C (4.2 oz-in @ 68 °F)
最高機械速度 ≤ 12000 1/min
耐沖擊性 ≤ 100g (6毫秒半弦波, EN 60068-2-27)
持久的抗沖擊性 ≤ 10G(16毫秒半弦波,EN60068-2-29)
耐振動性 ≤ 10 g (10 Hz – 1000 Hz, EN 60068-2-6)
長度 56,7 mm (2.23")
重量 415 g (0.91 lb)
電氣連接
連接方向 軸向
連接器 1 M12, 母型, 4針, D碼
連接器 2 M12, 公型, 4針, A碼
連接器 3 M12, 母型, 4針, D碼
產品壽命周期信息
產品壽命周期信息 現有產品
Approval CE
