CONTACT US
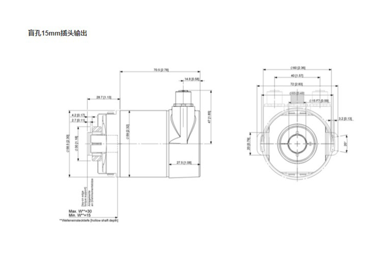
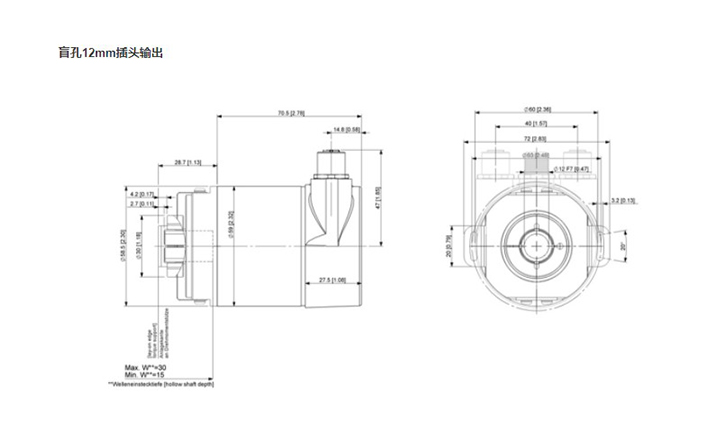
400 - 880 - 3995法國雷恩Precilec提供各種直徑的盲孔法蘭(又名轂軸)。借助盲孔法蘭設計,軸不必完全通過編碼器,其位于編碼器內部,通過夾緊環和螺絲緊固于軸。各種抗旋轉簧片使得其易于安裝至各種電機或者機械表面 。
雷恩ssi絕對值編碼器RCM58EC盲孔系列特點:
雷恩ssi絕對值編碼器RCM58EC盲孔系列采用緊湊設計,在控制體量的情況下,實現蒿精度,蒿分辨率,堅固機身,強抗干擾等優秀的性能。在編碼器設計的理念上,雷恩編碼器采用整體緊湊型設計理念,更小,更輕,更強,更穩定;
Precilec雷恩RCM58EC盲孔系列產品特性:
1、58系列光學機械齒輪原理,高可靠的數據傳輸設計
2、單圈分辨率最大可達65536(16bits), 圈數最大可達16384(14bits)
3、EtherCAT通訊,傳輸速率10/100Mbit
4、高級別防護等級IP66/IP67(不銹鋼殼體可選)
5、優異的溫度范圍 -40°C...+85 °C
6、專為鋼鐵冶金行業、起重行業、造紙行業、木材加工行業設計制造

雷恩編碼器常用型號:
RCI58C-3BVD-10000-41-S00
RCI58GHM510593R1024I
RC190C-1EVD-1024-51-S002
RCI58C-HS3-F-2500-1
RCI05B-415S2-CR28X
RCI40-F6-NH-CR1-HX11024
RCI058B-415-S2-CR2-H0
RCI58B-F-0-2-S2-CR2-4T
RCI58BHS31024-5
RCI58C-115-1000-0C-X0T
RCI58C-605-1024-0A-49
RCI58C-10112-1025-PD16-S2
RCI58C-FS10-S-01024-CA02-S001
RCI58C-T4-NH-CR-S2-S1
RCI58N-2114S5-G0
RCI58S-HS14-1-02048-CA02
RCI58TS-T4-01024-CA05-S002
RCI58X-10047-H1030
RCI58X-11107-K250-D01
RCI58X-251710CF1400
RCI58X-251710-CF1400
RCI65S-120-1024-P8-67
RCI65W-115-1024-B7-50
RCI65W-115-2048-B7-49
RCI090T-NH-X1-R007
RCI090T-T1-NHCR5-S2-SX
RCI090T-T2-NH-CW-S2-TX150
RCI090T-T3-NHCR3-S2-TX200
RCI090T-T16-NH-00372
RCI90C-1BVA-1024-F2
RCI90C-5-H-2-1024-O-S-03
RCI90C-10130-102-3A
RCI90T-00050-S007
RCI90TS-01000-S-007
RCI90TS-01024-M-S01
RCI90TS-01024-S30
RCI90TS-1024-S30
RCI90TS-1024-S-S12
RCI90X-25T324-DGR01
RCI90X-1024ST007
RCI90TS-01000-S-007
RCI90TS-01024-M-S01
RCI90TS-01024-S30
RCI90TS-1024-S30
RCI90TS-1024-S-S12
RCI90X-25T324-DGR01
RCI90X-1024ST007
RCI90X-51107-AF150
RCI90X-511022-AF150
RCI90X-E15-S2-0T-H1
RCI90X-T3N2-S1-TXS0
RCI115-T120-BR155-S1
RCI160-11112-1230
RCI190-10112-1023A
RCI190-HA04-S-01024-1122-F150
RCI190X-515-S2-OT-H7
RCI444R1159BR00-500-I1
RCI508-C10-NH-CR1-100-S002
下一篇:RCI58X增量編碼器